登录| 注册    
收藏  点赞 

松香胺

松香的一种含氮衍生物。属三环二萜类伯胺。以脂松香或浸提松香为原料衍生的称脂松香胺或浸提松香胺,主要成分为枞胺、长叶松胺。由岐化松香衍生的称歧化松香胺,主要成分为脱氢枞胺、二氢枞胺和四氢枞胺。枞胺(C19H29CH2NH2,MW.287)和脱氢枞胺(C19H27CH2NH2

松香的一种含氮衍生物。属三环二萜类伯胺。以脂松香或浸提松香为原料衍生的称脂松香胺或浸提松香胺,主要成分为枞胺、长叶松胺。由岐化松香衍生的称歧化松香胺,主要成分为脱氢枞胺、二氢枞胺和四氢枞胺。枞胺(C19H29CH2NH2,MW.287)和脱氢枞胺(C19H27CH2NH2,MW.285)的结构式如下:

松香胺

理化性质

浅黄色至黄色粘稠油状液体,略具氨味,微溶于沸水,易溶于醇、醚、碳氢化合物及三氯甲烷等有机溶剂。100℃以下比较稳定,低毒至无毒。弱碱性,对皮肤有刺激作用。在微量碘、氯化锌等催化下,易与丙酮缩合。对乙基纤维、天然橡胶和合成橡胶有良好的混溶性,与醋酸纤维和聚醋酸乙烯酯却不混溶。

生产工艺

是通过松香腈的氢化制取松香胺。加工过程分两步:松香氨化脱水制备松香腈;松香腈加氢制得松香胺

松香腈的制备

松香或改性松香与催化剂混合,在较高温度下通入氨气,使松香中的树脂酸(含脂肪酸)分子上的羧基和氨作用,脱水而生成松香腈。化学反应通式如下:

松香胺

上式R—代表一个树脂酸核,例如枞基、脱氢枞基、二氢枞基或四氢枞基等。松香氨化脱水反应需经过3个阶段:熔融的松香与氨中和生成松香铵盐;松香铵盐在200℃以上开始脱水生成松香酰胺;随着温度的升高,松香酰胺进一步脱水生成松香腈。为使氨化脱水反应顺利进行,需加入脱水催化剂,并在实际操作中做到:一方面要自始至终连续不断地通入氨气;另…方面要及时地排出反应生成的水蒸气。目前中国采用0.25%钨酸铵为氨化脱水催化剂。一般氨化脱水反应约需10~14小时。当反应物酸值低于5时,停止通氨。所得反应物称为粗腈,经减压分馏即得松香腈半成品。脂松香腈得率80%左右,歧化松香腈得率85%左右,含氮量为4.0~4.5%,主要产物含量为85~90%左右。

松香胺的制备

中间产品松香腈分子中含有一个不饱和碳氮键—C≡N,在Pt、Ni等催化剂作用下加压氢化合成松香胺,化学反应通式如下:

松香胺

松香腈催化加氢制备松香胺是一个多相催化放热反应,加氢反应的速度取决于氢气的压力和催化剂的活性,加氢工艺是以脂松香腈或歧化松香腈为原料,以乙醇为溶剂,雷尼镍为催化剂,并加入少量氢氧化钠为助催化剂。中国采用管式氢气循环鼓泡加氢流程,使气、液、固三相接触良好。加氢反应结束,反应料液放入分离器内静置,使催化剂沉降分离,回收乙醇后,所得粗胺经减压精密分馏即得松香胺成品。一般脂松香胺得率60%左右,歧化松香胺得率70%左右(以原料松香为基准)。

产品质量

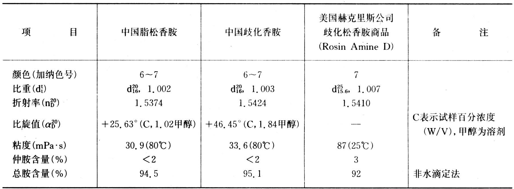
中国产的松香胺有脂松香胺歧化松香胺、脱氢枞胺醋酸盐3种。美国赫克里斯公司(Hercules Co.)生产歧化松香胺。产品质量见下表。

松香胺产品质量

用途

主要用作杀虫剂、除藻剂、润滑剂、缓蚀剂、浮选剂、防腐剂、碱性光学活性拆分剂以及制造油溶和醇溶性染料等。松香胺的烷基取代物及五氯酚盐等是木材、纸张、棉织品和皮革等的防腐剂。松香胺与环氧己烷加成,可以制得松香胺聚醚,是一种应用较广的表面活性剂;可用作去垢剂、乳化剂、原油破乳剂等。中间产物松香腈可作为聚氯乙烯制品的增塑剂。