登录| 注册    
收藏  点赞 

孢子虫病

由蜜蜂微孢子虫引起、破坏蜜蜂中肠上皮细胞的肠道传染病。别名微粒子病。分布及危害 孢子虫病是世界各国蜜蜂中普遍发生的一种蜜蜂成虫病。患病蜜蜂寿命缩短,采集力和泌蜡量显著下降。春季发病影响蜂群的繁殖和发展,生产季节发病则影响蜂蜜、蜂王浆和蜂蜡的产量;秋季发病则影响蜂群的安全越冬,造成翌年蜂群春衰;越冬蜂群患病常出现下痢

由蜜蜂微孢子虫引起、破坏蜜蜂中肠上皮细胞的肠道传染病。别名微粒子病。

分布及危害

孢子虫病是世界各国蜜蜂中普遍发生的一种蜜蜂成虫病。患病蜜蜂寿命缩短,采集力和泌蜡量显著下降。春季发病影响蜂群的繁殖和发展,生产季节发病则影响蜂蜜、蜂王浆和蜂蜡的产量;秋季发病则影响蜂群的安全越冬,造成翌年蜂群春衰;越冬蜂群患病常出现下痢,严重者造成整群蜂死亡。

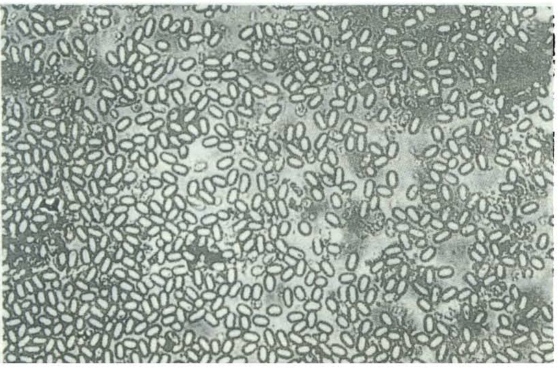
病原

为原生动物的蜜蜂微孢子虫(Nosema apis Zander,1909)。在蜜蜂体外,微孢子虫以孢子形态生存。孢子长椭圆形,长5.0~6.0微米,宽2.2~3.0微米,孢子外壳为几丁质,折光性强,不易染色。内有双核、液泡和极丝。极丝长160微米,以螺旋形式卷曲在液泡里(图1)。孢子被蜜蜂摄入体内,在消化液的作用下放出极丝。其营养体通过极丝槽进入中肠上皮细胞,行无性裂殖和孢子生殖。在30~31℃下,经2~3天完成一个生活周期。

微孢子虫孢子对外界不良环境的抵抗能力很强,能耐受冷冻、冻干和微波。在蜂蜜和蜂房里可以活一年;在蜜蜂干粪内活2年;在蜜蜂尸体里可以存活五年;在水中可以活100多天。孢子的致死温度在不同条件下也不同,蜂蜜加温到60℃,经过60分钟可以杀死孢子;在25℃条件下,使用4%的福尔马林溶液,可以在1小时内杀死孢子;在10%的漂白粉溶液里,经10~12小时杀死孢子;在2%的石炭酸水溶液里只要10分钟就可将孢子杀死。

图1 蜜蜂微孢子虫的孢子

症状

孢子虫病的症状常与蜜蜂麻痹病、饥饿、杀虫剂中毒和下痢时的症状相似。蜜蜂患病初期,外部症状不明显,活动正常。患病后期,蜜蜂个体瘦小,两翅散开不相连,萎靡不振,螫刺反应丧失,少数病蜂腹部膨大。前胸背板和腹尖变黑,腹部1~3节背板深棕色,常被健康蜜蜂追咬,多爬在框梁、箱底板上或蜂箱前草地上,不久死亡。冬末和春季成蜂大量减少,往往伴随着蜂王的丧失或交替,这是蜂群感染孢子虫病的明显症状。染病的哺育蜂舌腺萎缩,饲喂幼虫的能力降低。

诊断

取病蜂中肠观察和镜检。正常的蜜蜂中肠淡棕色,不膨大。病蜂中肠呈灰白色,环纹模糊,失去弹性(图2)。如使用镜检方法,可将中肠置载玻片上,滴半滴无菌水,盖上盖玻片,用镊子在盖玻片上轻轻压挤,再置400~600倍显微镜下观察,若有大量长椭圆形、并有淡蓝色折光的孢子,可确诊为孢子虫病。也可将病蜂中肠研碎镜检。染色诊断,可将上述中肠涂片,去掉盖玻片,晾干,以1∶49吉姆萨液染色5分钟,取出以蒸馏水冲洗再镜检,可以观察到微孢子虫各期虫态。诊断蜂王时,可提出蜂王扣在玻璃皿内,待其排粪后,将蜂王送回原群,并挑取少量粪便涂片镜检。

图2 健康蜜蜂中肠(a)与患孢子虫病蜜蜂中肠(b)的比较

传播

病蜂是传播孢子虫病的来源。每只病蜂体内有微孢子虫孢子高达数百万个,而工蜂和雄蜂只需较少的孢子就受到感染,孢子从病蜂体内与粪便一起排出,常常通过污染蜂箱、巢脾、蜂蜜、花粉和水传播给健康蜜蜂和其他蜂群。通过迷巢蜂、雄蜂、盗蜂、邮寄蜂王和合并蜂群,能促使孢子虫病在蜂群间扩大传播。冬季蜜蜂如果下痢,巢房更容易被含有孢子虫的粪便污染;患病蜂王将粪便排在巢房里;内勤蜂在清理巢房时受到感染,并将孢子传给蜂王。病蜂在巢内的这些活动,是保存和传播孢子虫的重要途径。

发病规律

春季气温逐渐上升,蜜蜂开始清扫巢房,扩大育虫面积,易受感染,是孢子虫病的发病高峰期。夏季蜜蜂能自由飞翔,清除掉巢房里的排泄物,病蜂死亡,感染减轻。秋季出现较小的高峰期,到冬季气温降低,孢子虫病情下降。在中国南方的江西、浙江等地,3~4月是孢子虫病高峰期;在华北、西北和东北,5~6月是高峰期。

防治

由于蜜蜂患孢子虫病后无明显症状,宜经常检查蜂群,进行防治。①蜂具消毒:受污染的蜂箱、蜂具用2~3%的氢氧化钠溶液清洗,再用火焰喷灯消毒。巢脾用福尔马林溶液或醋酸蒸汽消毒,取80%的醋酸或福尔马林溶液150毫升,注入各蜂箱内的吸收物上,将箱体重叠在一起密封熏蒸7天,可以杀死孢子。或将巢脾保持在温度49℃、相对湿度50%下密闭24小时,能消灭孢子的活力。也有用环氧乙烷熏蒸,在37.8℃下,按每升容积100毫克的试剂,密闭熏蒸24小时,可以杀死巢脾上的孢子。宜使巢脾中没有或留有很少的蜂蜜或花粉。②加强饲养管理:秋季蜂群里应有优良多产的蜂王和大量的新蜂,以保证蜂群顺利越冬。冬季群里应有足够的优质饲料蜜或糖浆,排除甘露蜜。室外越冬场地宜选在干燥向阳处,室内越冬温度保持在2~4℃。越冬期蜂群下痢,春季宜提早出室或促使蜜蜂在室内排泄飞行,恢复健康。积极育虫会刺激孢子虫的增长,使蜜蜂染病加重,因此在这方面应加强管理。③药物治疗:每升糖浆中加100克(75.6万国际单位)烟曲霉素,大群在春天饲喂2~4次,每隔1~2周饲喂1次,每群200毫升,能降低感染率;每千克糖浆或蜜汁中,加入1克柠檬酸或米醋3~4毫升。每群喂0.5千克,每隔三四天喂1次,连续喂4~5次,能抑制孢子虫的发展;每片灭滴灵0.2克,取10~20片研成粉末,并用少许温水溶解后,加在1千克糖浆内,饲喂方法同上。