登录| 注册    
收藏  点赞 

作物铝中毒

作物吸收过量铝引起的生育不良。铝中毒发生于强酸性土壤。通常土壤中水溶性铝达到10~20毫克/千克时,一般作物都将出现铝的毒害。铝毒是酸性土壤多种障害因素(见作物酸害)中的主要因素,所以一般所说的作物“酸害”多数情况是铝中毒。症状及机理铝强烈抑制植物细胞分裂。最先接触铝的是根,所以作物铝中毒首先表现在根系。受害根大多有变粗、变短、扭曲增多,根尖变钝等(图1),有的分枝短而簇生形成珊瑚状根等。

作物吸收过量铝引起的生育不良。铝中毒发生于强酸性土壤。通常土壤中水溶性铝达到10~20毫克/千克时,一般作物都将出现铝的毒害。铝毒是酸性土壤多种障害因素(见作物酸害)中的主要因素,所以一般所说的作物“酸害”多数情况是铝中毒。

症状及机理

铝强烈抑制植物细胞分裂。最先接触铝的是根,所以作物铝中毒首先表现在根系。受害根大多有变粗、变短、扭曲增多,根尖变钝等(图1),有的分枝短而簇生形成珊瑚状根等。根毛发生显著受抑,数量锐减,发育不正常甚至不能发生,根系量少且多褐色。由于根系发育不良,水分养分吸收随之减少,导致地上部生长恶化,生长量显著或急剧下降,植株瘦小、黄化,严重的枯萎死亡。间也有并存缺磷症状的,表现叶色灰暗,植株茎叶多处出现紫红色。进入植物的铝,大多积累于根部,向地上部分转移不多,进入种子的更少。根部的铝,主要分布于根尖和侧根发生等细胞分裂活动旺盛区域,多集中于表皮和皮层部,通过皮层进入中柱的不多。进入细胞内的铝主要分布于细胞核和细胞壁中,推断铝可能是与细胞核内DNA和质膜中的磷脂结合,与质膜磷脂结合会使细胞膜解体,与DNA分子中的磷结合则使DNA失去功能,成为铝阻碍细胞分裂的原因。铝和土壤中磷的共沉淀,结果阻碍作物对磷的吸收利用。

发生条件

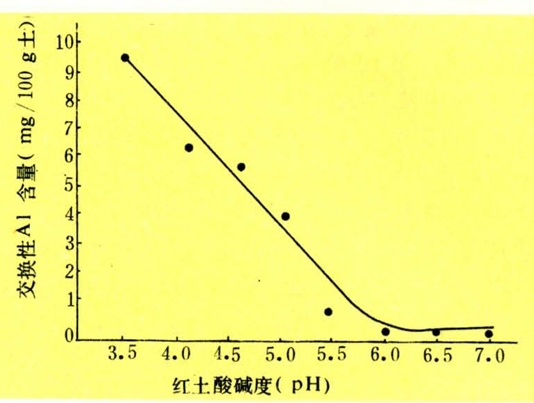
土壤中铝的溶出受pH值控制。pH值>5.5的土壤一般可溶性铝很少,不致受害;当pH值≤5.5时,可溶性铝显著增加且随pH值下降而急剧上升(见图2)。因此铝害一般都在pH值接近或小于5.5时出现。中国南方丘陵河谷地区发生较多,大田作物如大小麦,蔬菜作物如豌豆、菠菜等易见,尤以大麦普遍。大麦铝毒严重的,苗期叶尖发黄,不分蘖、死苗;早期枯熟,茎秆枯白、籽粒不充实等。缓冲性小的土壤中,施用生理酸性肥料,水田三熟制麦田因返旱“回酸”pH值下降以及种植抗性弱的二棱类型大麦等都容易造成铝害。

图1 大麦铝中毒根系生长畸形

图2 红土中pH值与交换性Al的关系

植物耐铝性

铝是土壤组成中继氧、硅、铁之后的第四大元素,土壤全铝平均7%左右。铝对植物毒性较强,在含可溶性铝高的土壤上,不耐铝的植物无法生存,故铝是自然植被的控制因素之一。植物的耐铝性存在很大差异,茶树是著名的耐铝植物,含Al3+90毫克/千克的溶液对其生育没有不良影响;耐性弱的如大麦、棉花、苜蓿、莴苣在Al3+不到1毫克/千克溶液中生育不良,其中大麦在土壤溶液中含Al3+0.7毫克/千克时减产65%左右。不同作物耐铝性机理各异:①有的作物根系分泌物能提高根域土壤的pH值,而沉淀铝,或者在NH+4和NO3 -共存时选择吸收NO3 -,从而使pH值提高。②有的根分泌有机酸络合铝,减少和阻遏铝进入。③根细胞壁OH-基密度高吸附沉着铝。④根表阳离子代换量小,对Al3+这一多价离子吸收少,水稻可能属于此类。⑤把铝积累于某些生理不活性部位,如茶树的老叶中铝可达30000毫克/千克,新叶为100毫克/千克,而芽仅有60毫克/千克,表明老叶有捕捉并束缚铝的性质。⑥使铝成为铝酸盐阴离子或络合物减低其毒性。⑦使铝难于接近致害部分如细胞核、线粒体。有人认为组蛋白有遏制铝与DNA结合的作用。以上多种机制可以归纳为:排斥于体外;使在体内成为无害形式;积累于无害部位。

铝毒防治

施用石灰、含钙(CaO)炉渣等,提高土壤pH值,沉淀活性铝。施用厩肥,其分解产物有机酸能络合铝,缓和或消除铝毒。施用草木灰钙镁磷肥钢渣磷肥等,作穴施、条施时,局部调节根域土壤pH值,以及不用生理酸性肥料都能见效。选育耐铝性品种,以作物去适应土壤要比改良土壤来适应作物更为理想。由于铝毒对幼根伤害显著,为筛选带来方便,使大量原始材料发芽后,用一定浓度铝溶液处理,根据幼根伸展情况选优汰劣。