登录| 注册    
收藏  点赞 

孔口出流

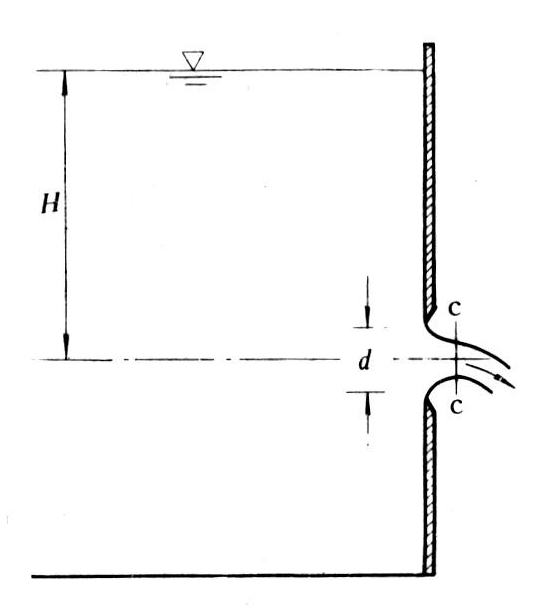
液体从器壁孔口或从部分开启的闸孔流出的现象。根据下游水位对出流影响的有无,孔流分为自由出流及淹没出流。当容器壁面厚度与孔口尺寸相比很小或是将器壁做成锐缘时称薄壁孔口。此时壁厚及孔表面的粗糙度对流动几无影响。水流由孔口流出时,由于惯性作用,不能急剧地改变方向,因而在孔口后有收缩现象。水流在流出孔口后不远,过水断面收缩到最小,这个断面称为收缩断面(见图1)。

图1 孔口出流

液体从器壁孔口或从部分开启的闸孔流出的现象。根据下游水位对出流影响的有无,孔流分为自由出流及淹没出流。当容器壁面厚度与孔口尺寸相比很小或是将器壁做成锐缘时称薄壁孔口。此时壁厚及孔表面的粗糙度对流动几无影响。水流由孔口流出时,由于惯性作用,不能急剧地改变方向,因而在孔口后有收缩现象。水流在流出孔口后不远,过水断面收缩到最小,这个断面称为收缩断面(见图1)。收缩断面面积与孔口面积的比值称为孔口的收缩系数,常用ε表示。对于直径为d的圆形薄壁孔口,当(H为孔口的中心在液面下的深度)时,称为薄壁小孔口,其收缩断面在离孔口约d/2处,通过孔口的流量Q可由下式计算:

孔口出流

式中 μ为流量系数,一般约为0.58~0.62;A为孔口的断面面积;H0为孔口中心以上的作用水头。H0V0为水流趋近孔口时的断面平均流速,α为动能修正系数。薄壁大孔口流量计算公式与小孔口相同,但μ值约为0.7~0.9。

如果孔口位于下游水面以下,则为淹没孔口出流。此时流量公式仍同前,但式中H0指的是上下游作用水头之差,即

孔口出流

图2 闸孔出流

水流受闸门(或胸墙)的控制,由闸门底缘和闸底板之间的闸孔流出,称为闸孔出流,如图2所示。水流在闸后也发生收缩,但与一般孔口不同,底部不收缩。收缩断面约在闸门下游0.5~1倍闸门开度处,当该处水深小于临界水深而下游渠道中水深大于临界水深,则在闸孔后往往发生水跃。如果下游水深大于与收缩断面水深相应的跃后共轭水深,则下游的水跃漩滚将淹盖收缩断面,闸孔为淹没出流,否则为自由出流。

自由出流时,闸孔的流量公式为

孔口出流

式中 μ为流量系数;b为闸孔宽度;ε为收缩系数;e为闸孔开度;其它符号同前。

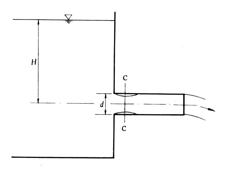
图3 管嘴出流

淹没出流时,流量公式为

孔口出流

式中 σ为闸孔淹没系数,其值≤1.0;μ0为淹没出流流量系数如果在孔口上加设短管,或孔壁厚度加大,当短管长度或孔壁厚度大于3~4倍孔口直径时,称为管嘴。图3为圆柱形外管嘴,水流在C—C断面收缩到最小,以后又逐渐扩满到全管出流。在C—C断面处存在旋涡区,压强低于大气压强。管嘴的流量公式为:

孔口出流

式中 A为管嘴出口断面面积;μ为流量系数,圆柱形外管嘴的μ约为0.82。工程上常用的还有圆锥形收缩管嘴及流线形管嘴等。