登录| 注册    
收藏  点赞 

水稻条纹叶枯病

由水稻纤细病毒(Tenuivirus)侵染,引起稻株叶片呈黄白色条纹或心叶卷曲的系统性侵染病害。1903年首先在日本报道。分布和为害日本、朝鲜、前苏联和中国的华北、东北、中南和西南各稻区均有发生。病害流行时产量损失达10%~20%,严重田块达70%。苗期发病先在心叶基部出现黄斑,以后向上扩展形成黄色条纹,条纹间仍保持绿色。感病品种心叶变黄白色,柔软,卷曲下垂(见彩图)。

由水稻纤细病毒(Tenuivirus)侵染,引起稻株叶片呈黄白色条纹或心叶卷曲的系统性侵染病害。1903年首先在日本报道。

分布和为害

日本、朝鲜、前苏联和中国的华北、东北、中南和西南各稻区均有发生。病害流行时产量损失达10%~20%,严重田块达70%。

苗期发病先在心叶基部出现黄斑,以后向上扩展形成黄色条纹,条纹间仍保持绿色。感病品种心叶变黄白色,柔软,卷曲下垂(见彩图)。分蘖期发病,先在心叶下一叶基部及叶鞘出现黄白色褪绿斑,以后发生的叶片及分蘖均表现有黄白色条纹,但始病叶以下老叶仍保持正常色泽,病株多不能抽穗。拔节后发病,仅在剑叶的下部或叶鞘上表现病状,造成孕穗枯死,或穗头的枝梗及颖壳扭曲畸形,不能结实。

病因

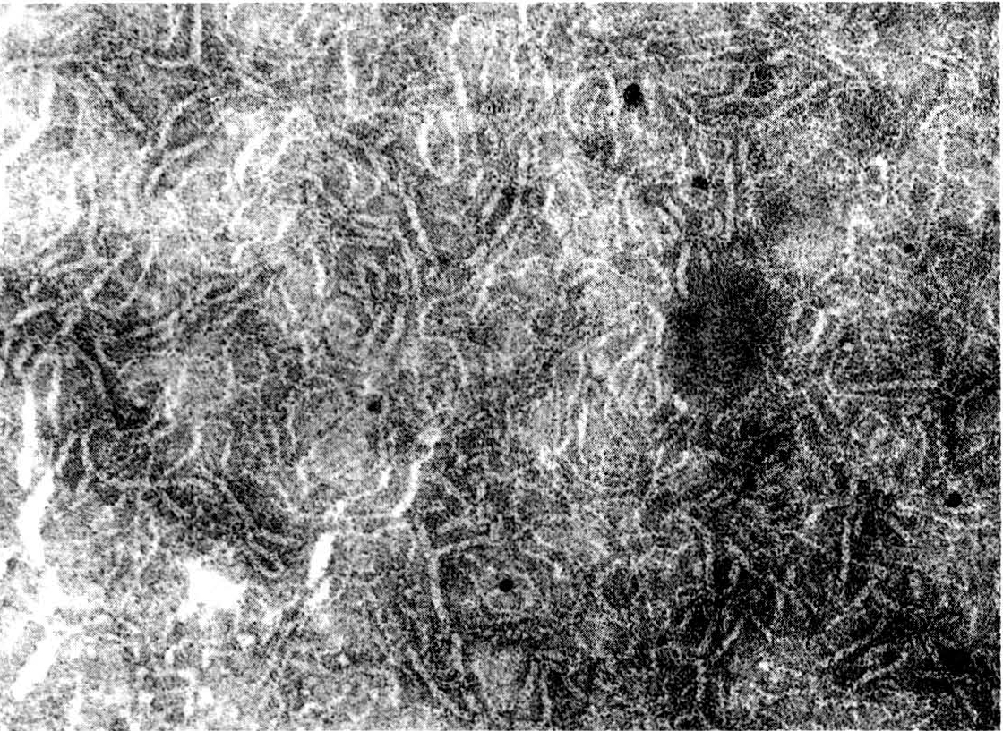
病原物为水稻条纹叶枯病毒(Rice stripe virus,RSV),病毒粒子为直径3纳米的环状或线状,并可成为宽8纳米的分枝丝状或杆状超级结构(见图),经梯度离心有4个组分,每一组分分别含一种单链核糖核酸(ssRNA)。各RNA之间没有同源性,其分子量分别为:RNA1=3×106,RNA2=1.6×106,RNA3=1.1×106,RNA4=0.9×106。各RNA均为双正链(ambisense),5′末端16个碱基中有14个相同,每一个RNA的5′末端与3′末端碱基互补。提纯后的病毒核酸亦有4种双链RNA,分别与4种单链RNA有同源性,分子量分别为单链RNA的两倍。病毒外壳蛋白为单一组分,分子量为35000,含323个氨基酸,由RNA3病毒互补链编码。植株感病后体内出现特异性非外壳蛋白,分子量为16500,含323个氨基酸,为RNA4病毒链编码。病毒颗粒中还有RNA多聚酶。

实验室筛选出对水稻致病性一致,但对小麦致病性增强的“株系”,其RNA1的比例增加,但核苷酸数量一致。

该病毒寄主仅限于禾本科植物,在田间发病的有稻、麦、玉米、谷子、狗尾草、马唐、看麦娘、画眉草等30多种植物。

传病介体昆虫主要为灰飞虱(Laodelphax striatella),白脊飞虱(Unkanodes sapporona)、白带飞虱(U..albifascia)和白条飞虱(Terthron albovitta-ta)也能传染。传毒方式为持久性,并能经卵传递给子代。灰飞虱传毒率在病害流行年高于非流行年,雌虫高于雄虫。经卵获毒虫的传病能力强于饲毒获毒虫。田间灰飞虱的带毒虫量是影响病害流行的关键因素。

栽培品种的抗病性影响田间发病轻重。已知多数梗稻品种感病,部分陆稻和籼稻品种抗病或对传毒介体具有抗性。日本陆稻的抗性由两对互补基因Stv-a和Stv-b组成,Stv-b是作用基因,Stv-a是修饰基因,两个基因共同作用才能产生抗性;籼稻的抗性基因由Stv-bi决定,该基因是Stv-b的等位基因,但不需要Stv-a即能表现抗性。一些籼粳稻杂交品种保留了Stv-bi基因,具有抗病性

耕作制度及温度是影响病害发生轻重的重要因素。在小麦与单季稻或单、双季稻混栽区,有利于介体昆虫生长和繁殖,病害易流行。冬作以大麦为主地区,大麦收割时灰飞虱多处于若虫阶段,介体昆虫自然死亡率高,抑制了初侵染源。籼稻栽培区品种多具抗性,本病不易流行。气温高于30℃对灰飞虱发育不利,故在热带和亚热带高温区病害不流行。

水稻条纹叶枯病毒粒子(4.8万倍)

侵染过程和病害循环

介体昆虫经卵传毒或在病株上吸食获毒。灰飞虱对病毒亲和性的个体在病稻上吸食1~3天后几乎能全部获毒。灰飞虱对病毒亲和性个体约占总虫口的20%。无毒虫吸食病毒后需经过一段循回期后才能传毒。病毒在灰飞虱体内的循回期为5~21天,多数为7天左右。幼龄虫的循回期比高龄虫短,雌虫比雄虫短。同龄虫的循回期在气温高时缩短,反之延长,带毒虫在健稻上吸食3~10分钟就有少数个体传毒;吸食30~60分钟的雄虫有7%传毒,雌虫为33%;吸食12小时的雄虫有24%,雌虫有67%传毒,传毒力亦与介体昆虫的个体有关,高龄若虫及成虫比幼龄虫强,雌虫比雄虫强;经卵获毒虫比吸食获毒强。通过循回期的带毒虫能终生传毒,直至死亡。带毒雌虫的经卵传递代次可达40代以上。

稻苗感染病毒后需经过9~25天的潜育期才能表现症状。潜育期受水稻生育期和温度影响,在相同温度下随生理年龄的增长而延长,但在水稻幼穗分化后不易感染和发病。同一苗龄在不同温度条件下感染病毒,潜育期随温度升高而缩短。稻苗感病后,病毒从始病叶位向生长的幼嫩部扩展,从先发病分蘖向新生的分蘖扩展,始病叶以下的老叶和始病分蘖前的主茎或老分蘖则不发病。

病毒在介体昆虫体内及寄主体内越冬。介体昆虫以高龄若虫在寄主植物上越冬。越冬后的介体昆虫传毒率低,但经卵带毒虫比例高,其产生的第一代灰飞虱的传毒力强。灰飞虱第一代带毒虫迁至水稻秧田或大田初期传毒,是田间水稻发病的初侵染源。稻田繁殖的第二、三代带毒虫能再次侵染水稻,造成大田发病流行。在水稻收获后,灰飞虱迁向麦苗传毒并越冬。

病害控制

种植抗、耐病品种。经鉴定,盐粳20、铁桂丰、合系11、合系12等品种表现抗病,合系22、宿辐807、新农垦57等表现耐病。日本品种峰丰、武藏黄金、美味稔、星光、青空、滩锦、明星、玉穗波等抗病。

药剂防治灰飞虱。用血清学技术检测灰飞虱的带毒率,根据带毒虫量预测发病程度,在本病流行地区及时防治传播媒介灰飞虱,能有效地控制病害为害。防治介体昆虫的药剂要求击倒作用强,以减少带毒虫吸食传毒机会。

其它减轻发病为害的方法还有:水稻育秧地避免与病源田接近,秧苗移栽时剔除病苗,增加插秧密度;大田初期促进稻苗早发等。